产品介绍
?
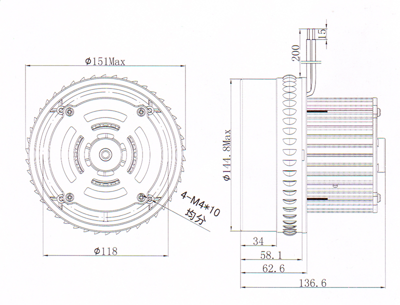
| 产品名称 | 无刷变频电动机 |
| 风叶数量 | 两层风叶 |
| 输入电压 | AC 220V |
| 风叶直径 | 5.7英寸/144.8mm |
| 通风系统 | 旁路式 |
| 出风方向 | 切向 |
| 工作温度 | 32-104°F/0-40° |
| 轴承结构 | Ball/Ball |
| 防护等级 | F级 |
| 寿命 | 5000小时以上 |
技术参数:
| 型号 | 电压 | 电流 | 功率 | 真空度 | 风量 | 噪音 | 效率 |
| BLF9530-24-350 | 220 | 4.7 | 1000 | ≥24 | ≥2.7 | ≤90 | 35 |
| 产品名称 | 无刷变频电动机 |
| 风叶数量 | 两层风叶 |
| 输入电压 | AC 220V |
| 风叶直径 | 5.7英寸/144.8mm |
| 通风系统 | 旁路式 |
| 出风方向 | 切向 |
| 工作温度 | 32-104°F/0-40° |
| 轴承结构 | Ball/Ball |
| 防护等级 | F级 |
| 寿命 | 5000小时以上 |
技术参数:
| 型号 | 电压 | 电流 | 功率 | 真空度 | 风量 | 噪音 | 效率 |
| BLF9530-24-350 | 220 | 4.7 | 1000 | ≥24 | ≥2.7 | ≤90 | 35 |





